首页 技术专题 人力资源 给我们留言
热点产品搜索:
首页
|
企业概况
|
新闻中心
|
产品展示
|
技术专题
|
企业业绩
|
服务中心
|
营销市场
|
资料下载
|
联系我们
▲ 当前位置:首页 > 产品目录 > 电动蝶阀> ZDY电动蝶阀 743F
产品目录 技术专题 服务中心 资料下载
产品目录
大禹总部位于上海浦东新区大麦湾工业区, 生产基地位于南通东安科技工业园,是一家集研发、制造、营销为一体的科技型企业。
公司主导产品有电动/气动调节阀、自力式调节阀、耐腐蚀调节阀、特殊类调节阀、O型、V型球阀、补偿式半球阀、蝶阀、放料阀等38个系列400多个规格的产品,产品在石油、化工、冶金、电力、造纸、环保、轻工等行业中广泛应用。
ZDY电动蝶阀 743F

下一条:ZQDY943H电动蝶阀 上一条:ZDYPVC971X电动蝶阀

产品简介

产品名称:ZHJD电动蝶阀
类型:电动
公称通径:DN50-DN1400
公称压力:1.0-2.5Mpa
温度范围:常温:-20℃~+220℃ 散热:-40℃~+450℃
材料:WCB、CF8、CF8M、CF3、CF3M等
关键词:电动蝶阀 蝶阀

主要技术数据

1、阀体

公称通径:50-1400mm
公称压力:PN1.0,1.6,2.5MPa
连接形式:法兰式按JB/T78-59
B79-59对夹式法兰连接
材料:HT200 ZG25I ZG1Cr18Ni9
ZGOCr17Ni12Mo2衬四氟
介质温度:常温:-20~+200 ℃
散热:-40~+450℃
压盖形式:螺栓压紧式
填料:V型聚四氟乙烯填料,含浸
聚四氟乙烯填料,石棉编织填料。

2、阀内组件

阀芯形式:阀板
流量特性:近似直线特性
材料:HT200 ZG25I
Icr18Ni9Ti衬橡胶 衬四氟乙烯
密封材料:不锈钢,橡胶,四氟乙烯

执行机构

类型:可选用DYR1、DYR系列、或PSQ、系列电子式角行程执行机构,防爆型选3810R系列,也可以根据用户需要选配其它符合要求的电动执行机构。
技术参数和性能:请参阅对应的执行机构与伺服放大器说明书。可与大禹公司技术部联系索取相关资料。

4、规格参数表

公称通径DN
50
65
80
100
125
150
200
250
300
350
400
?
?
?
流量系数(Kv)
110
180
232
368
656
735
1240
2025
2712
3875
5038
?
?
?
动作范围
0-90°
允许压差△P
小于公称压力(1.6MPa)
泄漏量Q
按GB/T4213-92,为Kv值的10-4
环境温度℃
-20~60℃
基本误差
±2.5%
回差
±2.5%
死区
1%
可调范围
250:1????????????????????????????????????????? 350:1
配用执行机构
DYR1-05
DYR-05
DYR1-10
DYR-10
DYR1--25
DYR-20
DYR1-50
DYR-40
DYR1-100
DYR-60

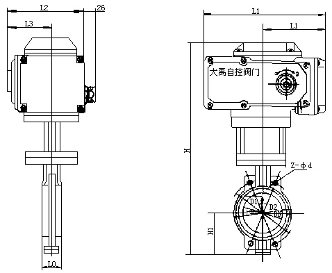
外形尺寸

1、ZHJD971电动对夹式蝶阀外形尺寸

 
公称通径DN L H H1 D1 Z-φd D L1 重量(kg) L2
50 43 452 80/112 120/125 4-18 165 208 23 120
65 46 475 88/115 136/145 4-18 185 208 28 120
80 46/49 516 96/120 160/ 8-18 200 208 32 120
100 52/56 551 115/140 185 8-18 220 208 35 120
125 56/64 566 128/170 210 8-18 220 208 38 120
150 56/70 606 140/180 240 8-22 285 256 45 156
200 60/71 731 175/210 295 8-22 340 256 60 156
250 68/76 778 202/240 355 12-22 395/405 256 85 156
300 78/83 830 242/290 410 12-22 445/460 256 103 156
350 78/92 996 266/320 470 16-22 505-520 346 170 156
400 102 1058 298/350 515/525 16-26 565/580 346 240 156

注:表中数据XX/XX,“L、H1”为软密封/硬密封;“D1、D”为压力1.0Mpa/1.6Mpa

2、ZHJD941电动法兰式蝶阀外形尺寸(注:表中执行器为ulli、DYR)

 
公称径通DN L H H1 D D1 Z-φd L1 L2 重量 Kg
50 108 539 82.5/112 165 125 4-18 208 120 18
65 112 554 92.5/115 185 145 4-18 208 120
80 114 569 100/120 200 160 8-18 208 120 20
100 127 614 110/138 220 180 8-18 208 120 22
125 140 649 125/164 250 210 8-18 208 120
150 140 725 142.5/175 285 240 8-22 256 156
200 152 835 170/208 340 295 8-22/12-22 256 156
250 165 890 192.5/243 405 355 12-22/12-26 256 156
300 178 995 222.5/283
460
410 12-22/12-26 256 156
350 190 1155 252.5/310 520 470 16-22/16-26 346 156
400 216 1225 282.5/340 580 525 16-26/16-30 346 156

注:表中数据XX/XX,“H1”列为软密封/硬密封,“Z-φd”列表示压力1.0Mpa/1.6Mpa

外形尺寸

1、ZHJD971电动对夹式蝶阀外形尺寸

 
公称通径DN L H H1 D1 Z-φd D L1 重量(kg) L2
50 43 452 80/112 120/125 4-18 165 208 23 120
65 46 475 88/115 136/145 4-18 185 208 28 120
80 46/49 516 96/120 160/ 8-18 200 208 32 120
100 52/56 551 115/140 185 8-18 220 208 35 120
125 56/64 566 128/170 210 8-18 220 208 38 120
150 56/70 606 140/180 240 8-22 285 256 45 156
200 60/71 731 175/210 295 8-22 340 256 60 156
250 68/76 778 202/240 355 12-22 395/405 256 85 156
300 78/83 830 242/290 410 12-22 445/460 256 103 156
350 78/92 996 266/320 470 16-22 505-520 346 170 156
400 102 1058 298/350 515/525 16-26 565/580 346 240 156

注:表中数据XX/XX,“L、H1”为软密封/硬密封;“D1、D”为压力1.0Mpa/1.6Mpa

2、ZHJD941电动法兰式蝶阀外形尺寸(注:表中执行器为ulli、DYR)

 
公称径通DN L H H1 D D1 Z-φd L1 L2 重量 Kg
50 108 539 82.5/112 165 125 4-18 208 120 18
65 112 554 92.5/115 185 145 4-18 208 120
80 114 569 100/120 200 160 8-18 208 120 20
100 127 614 110/138 220 180 8-18 208 120 22
125 140 649 125/164 250 210 8-18 208 120
150 140 725 142.5/175 285 240 8-22 256 156
200 152 835 170/208 340 295 8-22/12-22 256 156
250 165 890 192.5/243 405 355 12-22/12-26 256 156
300 178 995 222.5/283
460
410 12-22/12-26 256 156
350 190 1155 252.5/310 520 470 16-22/16-26 346 156
400 216 1225 282.5/340 580 525 16-26/16-30 346 156

注:表中数据XX/XX,“H1”列为软密封/硬密封,“Z-φd”列表示压力1.0Mpa/1.6Mpa

 
公司概况   新闻资讯   产品中心   营销市场   服务中心   联系我们
                     
公司简介
董事长致辞
企业宗旨
组织机构
公司荣誉
厂区概况
  企业新闻
公司文艺角
行业动态
技术文章
  调节阀
蝶阀
电磁阀
球阀
放料阀
刀型闸阀
自力式压力调节阀
衬氟及塑料阀门
工艺阀门
执行机构
  营销市场
营销网络
  服务中心
服务承诺
  联系我们
留言中心
                     
Copyright (c) 2016 上海大禹自控阀门有限公司 沪ICP备15052615号 技术支持:控制阀网