首页 技术专题 人力资源 给我们留言
热点产品搜索:
首页
|
企业概况
|
新闻中心
|
产品展示
|
技术专题
|
企业业绩
|
服务中心
|
营销市场
|
资料下载
|
联系我们
▲ 当前位置:首页 > 产品目录 > 电磁阀> ZCZP中温电磁阀
产品目录 技术专题 服务中心 资料下载
产品目录
大禹总部位于上海浦东新区大麦湾工业区, 生产基地位于南通东安科技工业园,是一家集研发、制造、营销为一体的科技型企业。
公司主导产品有电动/气动调节阀、自力式调节阀、耐腐蚀调节阀、特殊类调节阀、O型、V型球阀、补偿式半球阀、蝶阀、放料阀等38个系列400多个规格的产品,产品在石油、化工、冶金、电力、造纸、环保、轻工等行业中广泛应用。
ZCZP中温电磁阀

下一条:ZQDF电磁阀 上一条:ZCZH高温电磁阀

产品简介

产品名称:ZCZP中温电磁阀
类型:中温
公称通径:DN15-DN300
公称压力:1.6Mpa
温度范围:60、120或200、加散热片≤300
材料:WCB、304不锈钢
关键词:ZCZP中温电磁阀 电磁阀 中温电磁阀

产品概述

ZCZP电磁阀适用于以蒸汽为加热介质,进行温度自动控制的执行机构可对蒸汽加热器、散热器、干燥器等蒸汽设备及各类温度自控仪、蒸汽定型机、蒸染机、蒸汽回潮机等盛大设备的锅炉蒸汽管道进行二位式自动控制和远程控制。广泛应用于染化、纺织、印染、食品、医药、卷烟、水泥制品、石油化工、冶金等部门的自控系统。

主要特点

耐热:电磁部分、密封件部分用特种耐高温电工材料和密封材料,并应用了各种隔热措施。
耐磨:选材合理,阀杯和导向套间巧妙地利用流体的润滑作用,减少磨损。
耐冷凝:蒸汽管道的冷凝水是影响蒸汽电磁阀动作的重要因素,本阀则不受冷凝水影响。

主要参数

工作介质 蒸汽及其它无腐蚀性气体
介质温度(℃) 60、120或200、加散热片≤300
公称压力(MPa) 1.6
工作压差(MPa) 0.05~1.6 0.1~1.6
电源电压 AC220V,其余规格可作特殊订货
使用寿命 按JB/T7352-94规定
额定流量系数(KV)
泄漏量(ml/min) 按JB/T7352-94·F规定
公称通径(mm) 15 20 25 32 40 50 65 80 100 125 150
功??? 耗(VA) 30 30
阀体材质 WCB铸钢、304不锈钢

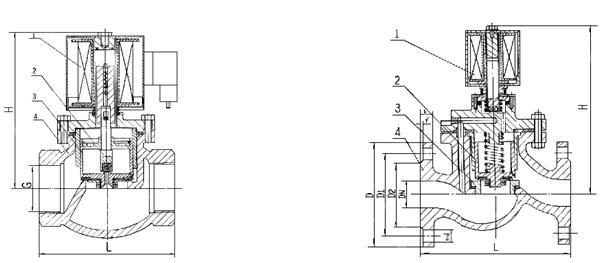
结构原理

该系列电磁阀为间接先导式电磁阀,由先导阀和主阀芯联系着形成通道组合而成;常闭型在未通电时,呈关闭状态。当电磁线圈通电时,产生的磁力使动磁芯和静铁芯吸合,导阀口打开,介质流向出口,此时主阀芯上腔压力迅速下降,低于进口侧的压力,形成压差克服弹簧阻力而随之向上运动,达到开启主阀口的目的,介质从进口流向出口呈通路。当线圈断电时,磁力消失,动铁芯在弹簧力作用下复位关闭先导口,此时介质从平衡孔流入,主阀芯上腔压力增大,并在弹簧力的作用下向下运动,关闭主阀口。常开式原理正好相反。

安装尺寸

通径公称DN 内螺纹连接 法兰连接
外形尺寸 内螺纹 外形尺寸 法兰连接
H L G H L D D1 D2 b f n-d
15 153 92 1/2 175 130 95 65 46 14 2 4-¢14
20 153 92 3/4 180 150 105 75 56 16 2 4-¢14
25 153 110 1 195 160 115 85 65 16 3 4-¢14
32 176 120 11/4 205 180 140 100 76 18 3 4-¢18
40 176 140 11/2 220 200 150 110 84 18 3 4-¢18
50 192 162 2 235 230 165 125 99 20 3 4-¢18
65 ? ? ? 250 290 185 145 118 20 3 4-¢18
80 ? ? ? 260 310 200 160 132 20 3 8-¢18
100 ? ? ? 290 350 220 180 156 22 3 8-¢18
125 ? ? ? 365 400 250 210 184 22 3 8-¢18
150 ? ? ? 400 480 285 240 211 24 3 8-¢22
200 ? ? ? 416 600 340 295 266 24 3 12-¢22
250 ? ? ? 434 730 405 355 319 26 4 12-¢26
300 ? ? ? 490 850 460 410 370 28 4 12-¢26

安装尺寸

通径公称DN 内螺纹连接 法兰连接
外形尺寸 内螺纹 外形尺寸 法兰连接
H L G H L D D1 D2 b f n-d
15 153 92 1/2 175 130 95 65 46 14 2 4-¢14
20 153 92 3/4 180 150 105 75 56 16 2 4-¢14
25 153 110 1 195 160 115 85 65 16 3 4-¢14
32 176 120 11/4 205 180 140 100 76 18 3 4-¢18
40 176 140 11/2 220 200 150 110 84 18 3 4-¢18
50 192 162 2 235 230 165 125 99 20 3 4-¢18
65 ? ? ? 250 290 185 145 118 20 3 4-¢18
80 ? ? ? 260 310 200 160 132 20 3 8-¢18
100 ? ? ? 290 350 220 180 156 22 3 8-¢18
125 ? ? ? 365 400 250 210 184 22 3 8-¢18
150 ? ? ? 400 480 285 240 211 24 3 8-¢22
200 ? ? ? 416 600 340 295 266 24 3 12-¢22
250 ? ? ? 434 730 405 355 319 26 4 12-¢26
300 ? ? ? 490 850 460 410 370 28 4 12-¢26

主要参数

工作介质 蒸汽及其它无腐蚀性气体
介质温度(℃) 60、120或200、加散热片≤300
公称压力(MPa) 1.6
工作压差(MPa) 0.05~1.6 0.1~1.6
电源电压 AC220V,其余规格可作特殊订货
使用寿命 按JB/T7352-94规定
额定流量系数(KV)
泄漏量(ml/min) 按JB/T7352-94·F规定
公称通径(mm) 15 20 25 32 40 50 65 80 100 125 150
功??? 耗(VA) 30 30
阀体材质 WCB铸钢、304不锈钢
 
公司概况   新闻资讯   产品中心   营销市场   服务中心   联系我们
                     
公司简介
董事长致辞
企业宗旨
组织机构
公司荣誉
厂区概况
  企业新闻
公司文艺角
行业动态
技术文章
  调节阀
蝶阀
电磁阀
球阀
放料阀
刀型闸阀
自力式压力调节阀
衬氟及塑料阀门
工艺阀门
执行机构
  营销市场
营销网络
  服务中心
服务承诺
  联系我们
留言中心
                     
Copyright (c) 2016 上海大禹自控阀门有限公司 沪ICP备15052615号 技术支持:控制阀网