首页 技术专题 人力资源 给我们留言
热点产品搜索:
首页
|
企业概况
|
新闻中心
|
产品展示
|
技术专题
|
企业业绩
|
服务中心
|
营销市场
|
资料下载
|
联系我们
▲ 当前位置:首页 > 产品目录 > 气动蝶阀> ZDY641H气动蝶阀
产品目录 技术专题 服务中心 资料下载
产品目录
大禹总部位于上海浦东新区大麦湾工业区, 生产基地位于南通东安科技工业园,是一家集研发、制造、营销为一体的科技型企业。
公司主导产品有电动/气动调节阀、自力式调节阀、耐腐蚀调节阀、特殊类调节阀、O型、V型球阀、补偿式半球阀、蝶阀、放料阀等38个系列400多个规格的产品,产品在石油、化工、冶金、电力、造纸、环保、轻工等行业中广泛应用。
ZDY641H气动蝶阀

下一条:ZDY641H气动蝶阀法兰式 上一条:ZDY641F气动蝶阀

产品简介

产品名称:DDY系列气动蝶阀
类型:v型蝶阀
公称通径:DN50-DN1400
公称压力:1.0-4.0Mpa
温度范围:常温:-40℃~+180℃中温:-40℃~+450℃
材料:WCB、CF8、CF8M、CF3、CF3M等
关键词:气动蝶阀蝶阀DDY系列

主要技术参数

1、阀体

公称通径:50~1400mm
公称压力:PN1.0~4.0 MPa
连接形式:法兰式按JB78-59、JB79-59
材料:WCB、HT200、ZG251、ZG1Cr18Ni9Ti、
ZG1Cr18Ni12MoTi、CF8、CF8M衬四氟乙烯
温度范围:常温-40℃~180℃、中温-40℃~+450℃
填料:V型聚四氟乙烯填料、含浸聚四氟乙烯填料、
石棉编织填料、柔性石墨

2、阀内组件

阀芯型式:阀板
流量特性:直线性?
材?料:Icr18Ni9Ti、0Or17Ni12Mo2
阀座材料:四氟乙烯(PTFE)、橡胶、金属阀座?
阀杆材料:不锈钢、衬四氟乙烯
可调比:100:1

3、理想固有流量特性

图3

执行机构

气缸形式:单缸式或双缸式
气缸工作压力:0.4~0.7Mpa
气缸开关时间:双作用式1~5秒
气缸空耗量:1~131L
电磁阀电源:220V AC、24V AC

规格性能表

公称通径DN 50 65 80 100 125 150 200 250 300 350 400 450 500 600 700 800 900 1000
额定流量系数(KV) 110 180 232 368 545 735 1240 2025 2712 3875 5038 6330 7755 11886 15375 19380 25695 31365
动作范围 0-90°
允许压差△P 小于公称压力(1.6Mpa)
泄漏量Q 按GB/T4213-92,kV值的10-4
基本误差 ±2.5%?? 带定位器
回差 2.5%??? 带定位器
死区 1%??? 带定位器
环境温度 -20℃+90℃

安装尺寸

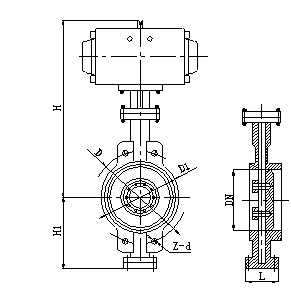
1、DDY671H(F)对夹式气动蝶阀外形及连接尺寸

图4

单位:mm

公称通径DN 外形尺寸 连接尺寸
L H H1 1.0MPa 1.6MPa
D D1 Z-d D D1 Z-φd
50 43 400 112 165 125 4-18 165 125 4-18
65 46 420 115 185 145 4-18 185 145 4-18
80 49 438 120 200 160 8-18 200 160 8-18
100 56 524 138 220 180 8-18 220 180 8-18
125 64 570 164 250 210 8-18 250 210 8-18
150 70 635 175 285 240 8-22 285 240 8-22
200 71 690 205 340 295 8-22 340 295 12-22
250 76 767 240 395 350 12-22 405 355 12-26
300 83 890 290 445 400 12-22 460 410 12-26
350 92 952 320 505 460 16-22 520 470 16-26
400 102 1070 350 565 515 16-26 580 525 16-30
450 114 1140 380 615 565 20-26 715 650 20-33
500 127 1200 410 670 620 20-26 715 650 20-33
公称通径DN 外形尺寸 连接尺寸
L H2 H1 2.5MPa 4.0MPa
D D1 Z-φd D D1 Z-φd
50 43 400 112 165 125 4-18 165 125 4-18
65 46 420 115 185 145 8-18 185 145 8-18
80 49 438 120 200 160 8-18 200 160 8-18
100 56 524 138 235 190 8-22 235 190 8-22
125 64 570 164 270 220 8-26 270 220 8-26
150 70 635 175 300 250 8-26 300 250 8-26
200 71 690 205 360 310 12-26 375 320 12-30
250 76 767 240 425 370 12-30 450 385 12-33
300 83 890 290 485 430 12-30 515 450 16-33
350 92 952 320 555 490 16-33 580 510 16-36
400 102 1040 350 620 550 16-36 660 585 16-39
450 114 1140 380 670 600 20-36 685 610 20-39
500 127 1200 410 730 660 20-36 755 670 20-42

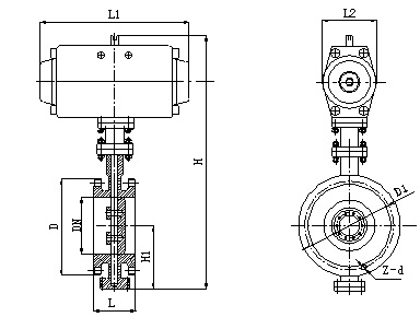
2、DDY641H(F)法兰式气动蝶阀

图5

单位:mm

公称通径DN 结构长度L(标准值) 外形尺寸(参考值) 连接尺寸(标准值)
PN1.6MPa PN2.5MPa
H H1 L1 L2 D D1 Z-d D D1 Z-d
50 108 150 399 100 140 50 165 125 4-18 165 125 4-18
65 112 170 430 115 164 70 185 145 4-18 185 145 8-18
80 114 180 478 120 190 70 200 160 8-18 200 160 8-18
100 127 190 488 130 210 70 220 180 8-18 235 190 8-22
125 140 200 540 150 210 70 250 210 8-18 270 220 8-26
150 140 210 605 178 276 102 280 240 8-22 300 250 8-26
200 152 230 742 200 378 125 340 295 12-22 360 310 12-26
250 165 250 840 235 432 125 395 650 12-22 425 370 12-30
300 178 270 965 270 524 160 445 400 12-22 485 430 16-30
350 190 290 1020 325 524 160 505 460 16-22 555 490 16-33
400 216 310 1075 350 648 200 565 515 16-26 620 550 16-36

注:结构长度本公司优先采用短系列,如需长系列订货时请注明

安装尺寸

1、DDY671H(F)对夹式气动蝶阀外形及连接尺寸

图4

单位:mm

公称通径DN 外形尺寸 连接尺寸
L H H1 1.0MPa 1.6MPa
D D1 Z-d D D1 Z-φd
50 43 400 112 165 125 4-18 165 125 4-18
65 46 420 115 185 145 4-18 185 145 4-18
80 49 438 120 200 160 8-18 200 160 8-18
100 56 524 138 220 180 8-18 220 180 8-18
125 64 570 164 250 210 8-18 250 210 8-18
150 70 635 175 285 240 8-22 285 240 8-22
200 71 690 205 340 295 8-22 340 295 12-22
250 76 767 240 395 350 12-22 405 355 12-26
300 83 890 290 445 400 12-22 460 410 12-26
350 92 952 320 505 460 16-22 520 470 16-26
400 102 1070 350 565 515 16-26 580 525 16-30
450 114 1140 380 615 565 20-26 715 650 20-33
500 127 1200 410 670 620 20-26 715 650 20-33
公称通径DN 外形尺寸 连接尺寸
L H2 H1 2.5MPa 4.0MPa
D D1 Z-φd D D1 Z-φd
50 43 400 112 165 125 4-18 165 125 4-18
65 46 420 115 185 145 8-18 185 145 8-18
80 49 438 120 200 160 8-18 200 160 8-18
100 56 524 138 235 190 8-22 235 190 8-22
125 64 570 164 270 220 8-26 270 220 8-26
150 70 635 175 300 250 8-26 300 250 8-26
200 71 690 205 360 310 12-26 375 320 12-30
250 76 767 240 425 370 12-30 450 385 12-33
300 83 890 290 485 430 12-30 515 450 16-33
350 92 952 320 555 490 16-33 580 510 16-36
400 102 1040 350 620 550 16-36 660 585 16-39
450 114 1140 380 670 600 20-36 685 610 20-39
500 127 1200 410 730 660 20-36 755 670 20-42

2、DDY641H(F)法兰式气动蝶阀

图5

单位:mm

公称通径DN 结构长度L(标准值) 外形尺寸(参考值) 连接尺寸(标准值)
PN1.6MPa PN2.5MPa
H H1 L1 L2 D D1 Z-d D D1 Z-d
50 108 150 399 100 140 50 165 125 4-18 165 125 4-18
65 112 170 430 115 164 70 185 145 4-18 185 145 8-18
80 114 180 478 120 190 70 200 160 8-18 200 160 8-18
100 127 190 488 130 210 70 220 180 8-18 235 190 8-22
125 140 200 540 150 210 70 250 210 8-18 270 220 8-26
150 140 210 605 178 276 102 280 240 8-22 300 250 8-26
200 152 230 742 200 378 125 340 295 12-22 360 310 12-26
250 165 250 840 235 432 125 395 650 12-22 425 370 12-30
300 178 270 965 270 524 160 445 400 12-22 485 430 16-30
350 190 290 1020 325 524 160 505 460 16-22 555 490 16-33
400 216 310 1075 350 648 200 565 515 16-26 620 550 16-36

注:结构长度本公司优先采用短系列,如需长系列订货时请注明

主要技术参数

1、阀体

公称通径:50~1400mm
公称压力:PN1.0~4.0 MPa
连接形式:法兰式按JB78-59、JB79-59
材料:WCB、HT200、ZG251、ZG1Cr18Ni9Ti、
ZG1Cr18Ni12MoTi、CF8、CF8M衬四氟乙烯
温度范围:常温-40℃~180℃、中温-40℃~+450℃
填料:V型聚四氟乙烯填料、含浸聚四氟乙烯填料、
石棉编织填料、柔性石墨

2、阀内组件

阀芯型式:阀板
流量特性:直线性?
材?料:Icr18Ni9Ti、0Or17Ni12Mo2
阀座材料:四氟乙烯(PTFE)、橡胶、金属阀座?
阀杆材料:不锈钢、衬四氟乙烯
可调比:100:1

3、理想固有流量特性

图3

执行机构

气缸形式:单缸式或双缸式
气缸工作压力:0.4~0.7Mpa
气缸开关时间:双作用式1~5秒
气缸空耗量:1~131L
电磁阀电源:220V AC、24V AC

规格性能表

公称通径DN 50 65 80 100 125 150 200 250 300 350 400 450 500 600 700 800 900 1000
额定流量系数(KV) 110 180 232 368 545 735 1240 2025 2712 3875 5038 6330 7755 11886 15375 19380 25695 31365
动作范围 0-90°
允许压差△P 小于公称压力(1.6Mpa)
泄漏量Q 按GB/T4213-92,kV值的10-4
基本误差 ±2.5%?? 带定位器
回差 2.5%??? 带定位器
死区 1%??? 带定位器
环境温度 -20℃+90℃
 
公司概况   新闻资讯   产品中心   营销市场   服务中心   联系我们
                     
公司简介
董事长致辞
企业宗旨
组织机构
公司荣誉
厂区概况
  企业新闻
公司文艺角
行业动态
技术文章
  调节阀
蝶阀
电磁阀
球阀
放料阀
刀型闸阀
自力式压力调节阀
衬氟及塑料阀门
工艺阀门
执行机构
  营销市场
营销网络
  服务中心
服务承诺
  联系我们
留言中心
                     
Copyright (c) 2016 上海大禹自控阀门有限公司 沪ICP备15052615号 技术支持:控制阀网